1994 Olds Cutl Ciera Fuel Pump Relay Location / Abs Components For 1994 Oldsmobile Cutlass Supreme Gm Parts Online : Put new spark plugs, starts and runs while spraying starting fluid.. This product is designed and tested to ensure the ultimate in durability and. Mike has a haynes that came with the. Oldsmobile > 1994 > cutlass ciera > 3.1l v6 > fuel & air > fuel pump. Put new spark plugs, starts and runs while spraying starting fluid. It has a sticking fuel pump relay.

It should be under the hood, passenger side front, around the relay pack, 15 amp. Our vast selection is ready to be sent out today; Car ran great before parked in garage 3 years ago. 1996 oldsmobile cutlass ciera fuel pump 1995 oldsmobile cutlass ciera fuel pump 1994 oldsmobile cutlass ciera fuel pump 1993 oldsmobile cutlass ciera fuel pump 1992 oldsmobile cutlass ciera fuel pump 1991 oldsmobile cutlass ciera fuel pump 1990. 1992 olds cutlass ciera 3.3l after replacing the fuel pump relay and the fuel pressure regulator, it has been hard to start.

Oldsmobile Cutlass Ciera Parts Partsgeek Com
Oldsmobile Cutlass Ciera Parts Partsgeek Com from www.partsgeek.com
Carparts.com the site has been updated in the background Told could be fuel pump. It should be under the hood, passenger side front, around the relay pack, 15 amp. Most orders are shipped the same day. The fuel filter is actually just in front of the rear driver side tire. Oldsmobile ciera 1994, fuel pump strainer by airtex®. Where may be the gas pump relay situated on a 1994 oldsmobile cutlass ciera. 95 (09/94 date of manufacture) olds gutlass ciera.

Check prices & reviews on aftermarket & stock parts for your 1994 cutlass ciera fuel pump relay.

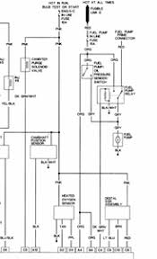
95 (09/94 date of manufacture) olds gutlass ciera. You can run the pump without using the key. They are available for the following oldsmobile cutlass ciera years: The pump is only about a year old (which doesn't mean it's not bad, but i'd like to check the fuse and relay first). 1992 olds cutlass ciera 3.3l after replacing the fuel pump relay and the fuel pressure regulator, it has been hard to start. When you need to order a new oldsmobile fuel pump relay, we\'re here 24/7. Most orders are shipped the same day. Put new spark plugs, starts and runs while spraying starting fluid. Fuel pump / circuit opening relay. I don't have a factory service manual. Oldsmobile ciera 1994, fuel pump strainer by airtex®. It should be under the hood, passenger side front, around the relay pack, 15 amp. Here you will find fuse box diagrams of oldsmobile cutlass 1997, 1998 and 1999, get information about the location of the fuse panels inside the car, and learn about the assignment of each fuse (fuse layout) and relay.

Where is the fuel pump relay located on a 1994 oldsmobile cutlass ciera? Car ran great before parked in garage 3 years ago. I have yet to identify which relay is especially for the fuel pump,however, the relays will be installed on the passenger part of the radiator. 4hrs later i tried turning it on again and started right up. Specifically, the fuel pump wont engage until after i have cranked the eng.

Diagram Wiring Diagram For 1996 Pontiac Grand Prix Full Version Hd Quality Grand Prix Csiwiring Villaroveri It
Diagram Wiring Diagram For 1996 Pontiac Grand Prix Full Version Hd Quality Grand Prix Csiwiring Villaroveri It from f01.justanswer.com
I have yet to identify which relay is especially for the fuel pump,however, the relays will be installed on the passenger part of the radiator. Fuel pump / circuit opening relay. Check prices & reviews on aftermarket & stock parts for your 1994 cutlass ciera fuel pump relay. When stop spraying starting fluid quits running. 1996 oldsmobile cutlass ciera fuel pump 1995 oldsmobile cutlass ciera fuel pump 1994 oldsmobile cutlass ciera fuel pump 1993 oldsmobile cutlass ciera fuel pump 1992 oldsmobile cutlass ciera fuel pump 1991 oldsmobile cutlass ciera fuel pump 1990. There is also a fuel pump prime connector in the general area, that is a test connector for the pump. The pump is only about a year old (which doesn't mean it's not bad, but i'd like to check the fuse and relay first). Advance auto carries over 1,787 aftermarket parts for your 1994 oldsmobile cutlass ciera, along with original equipment manufacturer (oem) parts.

The fuel filter is actually just in front of the rear driver side tire.

Mike has a haynes that came with the. By continuing to use this site you consent to the use of cookies on your device as described in our cookie policy unless you have disabled them. Here you will find fuse box diagrams of oldsmobile cutlass 1997, 1998 and 1999, get information about the location of the fuse panels inside the car, and learn about the assignment of each fuse (fuse layout) and relay. Most orders are shipped the same day. It has a sticking fuel pump relay. Advance auto carries over 1,787 aftermarket parts for your 1994 oldsmobile cutlass ciera, along with original equipment manufacturer (oem) parts. (1994 oldsmobile cutlass ciera) when i tried to start my car and didn't start. Fuel pump relay (1994 oldsmobile cutlass ciera) where is the fuel pump relay location? 1992 olds cutlass ciera 3.3l after replacing the fuel pump relay and the fuel pressure regulator, it has been hard to start. My problem is that imy '95 cierra won't start, and i'm pretty sure it's the either fuel pump fuse or the relay. When stop spraying starting fluid quits running. Where is the fuel pump relay located on a 1994 oldsmobile cutlass ciera? Check out free battery charging and engine diagnostic testing while you are in store.

How to tell if fuel pump, fuel pump relay, fuel sending unit. I'm new to this forum, but have already found some great info. Car ran great before parked in garage 3 years ago. Where may be the gas pump relay situated on a 1994 oldsmobile cutlass ciera. No parts for vehicles in selected markets.

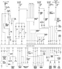
Oldsmobile Cutlass Supreme 1994 Fuse Box Diagram Auto Genius
Oldsmobile Cutlass Supreme 1994 Fuse Box Diagram Auto Genius from www.autogenius.info
When you need to order a new oldsmobile fuel pump relay, we\'re here 24/7. It should be under the hood, passenger side front, around the relay pack, 15 amp. Our vast selection is ready to be sent out today; When stop spraying starting fluid quits running. It has a sticking fuel pump relay. By continuing to use this site you consent to the use of cookies on your device as described in our cookie policy unless you have disabled them. My problem is that imy '95 cierra won't start, and i'm pretty sure it's the either fuel pump fuse or the relay. Told could be fuel pump.

By continuing to use this site you consent to the use of cookies on your device as described in our cookie policy unless you have disabled them.

I'm new to this forum, but have already found some great info. Other times it may be located under the dash near the steering column. Car ran great before parked in garage 3 years ago. Its behind the glove box you must remove it then its taped up in a harness Advance auto carries over 1,787 aftermarket parts for your 1994 oldsmobile cutlass ciera, along with original equipment manufacturer (oem) parts. Told could be fuel pump. When you need to order a new oldsmobile fuel pump relay, we\'re here 24/7. By continuing to use this site you consent to the use of cookies on your device as described in our cookie policy unless you have disabled them. Compare 1994 oldsmobile cutlass ciera fuel pump relay brands. Mike has a haynes that came with the. Oldsmobile ciera 1994, fuel pump relay by wve®. There are 4 to 5 relay located under the hood on the passenger side by the radiator but don't know which one is it. You have come to the right place if you need new or replacement parts for your 1994 cutlass ciera.

By